树莓派由注册于英国的慈善组织“Raspberry Pi 基金会”开发,Eben·Upton/埃·厄普顿为项目带头人。2012年3月,英国剑桥大学埃本·阿普顿(Eben Epton)正式发售世界上最小的台式机,又称卡片式电脑,外形只有信用卡大小,却具有电脑的所有基本功能,这就是Raspberry Pi电脑板,中文译名”树莓派”。
自问世以来,受众多计算机发烧友和创客的追捧,曾经一“派”难求。别看其外表“娇小”,内“心”却很强大,视频、音频等功能通通皆有,可谓是“麻雀虽小,五脏俱全”。自从树莓派问世以来,经历了A型、A+型、B型、B+型、2B型、3B型、3B+型、4B型等型号的演进。2019年6月25日,树莓派基金会宣布树莓派4B版本发布。
1、树莓派型号介绍
目前,树莓派部分型号已经停产,下表对2B型、3B型、3B+型、4B型进行参数对比。
表1 树莓派参数对比
型号 | 2B | 3B | 3B+ | 4B | ||
|---|---|---|---|---|---|---|
SOC | CM2836 | CM2837 | CM2837(B0) | CM2711 | ||
CPU | ARM Cortex-A7 900MHz (四核) | ARM Cortex-A53 1.2GHz(四核) | ARM Cortex-A53 1.4GHz(四核) | ARM Cortex-A72 1.5GHz(四核) | ||
GPU | Broadcom VideoCore IV,OpenGL ES 2.0,1080p 30 h.264/MPEG-4 AVC高清解码器 | |||||
内存 | 1GB (LPDDR2) | 1GB | 1GB/2GB/4GB LPDDR4 | |||
USB口个数 | 2*USB2.0 | 4*USB2.0 | 2*USB3.0 2*USB2.0 | |||
视频输出 | 支持PAL和NTSC制式,支持HDMI (1.3和1.4),分辨率为640 x 350 至 1920 x 1200 支持PAL 和NTSC制式。 | 2 micro HDMI ports 2-lane MIPI DSI display port | ||||
音频输出 | 3.5mm插孔,HDMI电子输出或I²S | |||||
数字接口 | CSI(摄像头)和DSI(显示屏)排线接口 | |||||
SD接口 | microSD接口 | |||||
网络接口 | 10/100MHz以太网接口 | 千兆以太网口 | ||||
电源输入 | 5V / 通过MicroUSB或GPIO头 | 5V USB-TypeC | ||||
电流 | 约600mA | 约1A | 3A | |||
重量 | 45g | 46g | ||||
尺寸 | 85 x 56 x 17mm | 88 x 58 x 19.5 mm | ||||
2、树莓派的典型应用
树莓派实质上是一台迷你的嵌入式计算机,就像其他任何一台台式机或者笔记本那样,利用树莓派可以做很多事情。当然,也会存在一些差别。普通的计算机主板都是依靠硬盘来存储数据,但是树莓派则使用TF卡作为“硬盘”。
利用树莓派可以编辑文档、浏览网页、玩游戏、播放视频、播放音频等,还可以利用树莓派制作智能小车、示波器、电子相框、家庭影院、相机等。在树莓派的官网上,有很多开源的应用示例,可以通过下面的网址访问。
https://projects.raspberrypi.org/en
3、树莓派4B支持的操作系统
树莓派4B支持很多种操作系统,下面我们对主要的操作系统进行介绍
Raspbian
官方推荐的操作系统,本书也是在Raspbian系统基础上进行介绍的,它是Debian在ARM的编译版,加上针对树莓派深度定制的硬件驱动与软件程序。所以我推荐使用这个操作系统进行学习。如果用户的需求Raspbian无法满足,则可以在通过Raspbian熟悉了树莓派之后再更换其他操作系统。
Ubuntu Mate
Ubuntu Mate是桌面Linux发行版本,Mate是Gnome 2桌面环境的继续,曾经作为Ubuntu的缺省桌面。Ubuntu Mate适合树莓派新手使用,界面是最好看的,而且各种支持非常丰富,但是在CPU优化方面不如官方的系统做得好。
Snappy Ubuntu Core
Ubuntu的一个版本,是面向智能设备的最新平台,可以运行存储在本地或依赖于云端的相同软件,最大的好处就是可以避免使用者频繁地定期更新。
OpenELEC
运行快、且用户体验友好的一款XBMC媒体中心。提供包含家庭影院PC所需的各类软件,也使用于树莓派。他是主打轻量级和流线型的设计,以便启动的更快。
Pidora
Pidora是社区对Fedora在树莓派上的移植。不是Fedora官方版,但被Fedora官网推荐用于树莓派。Pidora采用另一个轻量桌面环境XFCE。Fedora的软件策略相比于Debian,是略偏向先锋的。Fedora能用到版本稍新,但也经受过实测调试的软件包。
Windows 10 IoT
微软在Build 2015大会上宣布推出一个独立的Windows 10开发者预览版, 这个版本名称是Windows 10 IoT Core Insider Preview(Windows 10物联网核心内幕预览版),现在可供开发人员下载和研究,它支持树莓派,使设备制造商能够充分利用这些产品有限的硬件资源。
RISC OS
RISC OS为非Linux操作系统,是被专门设计运行于ARM芯片上,由命令行界面和桌面环境组成的视窗系统。
Arch Linux ARM
著名轻量系统Arch Linux在ARM架构上的移植。注重对于开发者的简洁,任何可有可无的软件一律不自带。仅有命令行界面,不建议初学者使用。Arch Linux的软件策略是相当激进的,使用Arch Linux能用到最新的软件包,但也需要承担尝鲜可能的风险。
Kali Linux
Kali Linux是基于Debian的Linux版本,设计用于数字取证和渗透测试。Kali Linux预装了很多渗透测试软件,用户可以通过硬盘、liveCD或liveUSB运行Kali Linux。
4、树莓派4B对外接口
树莓派4B的板载接口的说明如下图所示。

其中,扩展接口的定义如下图 所示。

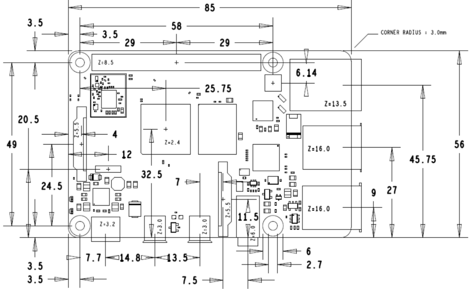
5、树莓派4B主板尺寸

6、树莓派4B开发方法建议
在使用树莓派4B时,最简单的必备配置为一块树莓派4B板、一个TF卡、一个TypeC接口的电源,但是这样的配置对于初学者来说,基本上是寸步难行的。对于初学者来说,强烈建议配上显示器、键盘和鼠标。另外为了树莓派4B散热良好,最好给树莓派装散热片,并加个带风扇的外壳。
《树莓派入门》系列文章,主要针对于初学者,所以介绍树莓派时,树莓派使用Raspbian操作系统,个人计算机使用windows系统,我用的windows系统为WIN10系统。对于初学者windows系统操作会更加简单。但是对于有志于成为专业程序员的用户来说,强烈建议个人计算机使用Linux系统,或者直接在树莓派上进行开发,我开发使用的是ubuntu系统。Windows系统只作为烧写镜像等简单操作使用。
发布者:全栈程序员栈长,转载请注明出处:https://javaforall.cn/131646.html原文链接:https://javaforall.cn
