在改进型差动放大器中,用恒流源取代射极电阻RE,既为差动放大电路设置了合适的静态工作电流,又大大增强了共模负反馈作用,使电路具有了更强的抑制共模信号的能力,且不需要很高的电源电压,所以,恒流源和差动放大电路简直是一对绝配!
恒流源既可以为放大电路提供合适的静态电流,也可以作为有源负载取代高阻值的电阻,从而增大放大电路的电压放大倍数。这种用法在集成运放电路中有非常广泛的应用。本节将介绍常见的恒流源电路以及作为有源负载的应用,为后续内容的学习进行知识储备。
镜像恒流源电路
如图1所示为镜像恒流源电路,它由两只特性完全相同的管子VT0和VT1构成,由于VT0管的c、b极连接,因此UCE0=UBE0,即VT0处于放大状态,集电极电流IC0=β0 IB0。另外,管子VT0和VT1的b-e分别连接,所以它们的基极电流IB0=IB1=IB。设电流放大系数β0=β1=β,则两管集电极电流 IC0=IC1=IC=βIB。可见,由于电路的这种特殊接法,使两管集电极IC1和IC0呈镜像关系,故称此电路为镜像恒流源(IR为基准电流,IC1 为输出电流)。

图1 镜像恒流源电路
镜像恒流源电路简单,应用广泛。但是在电源电压一定时,若要求IC1较大,则IR势必增大,电阻R的功耗就增大,这是集成电路中应当避免的;若要求IC1 较小,则IR势必也小,电阻R的数值就很大,这在集成电路中很难做到,为此,人们就想到用其他方法解决,这样就衍生出其他电流源电路。
比例恒流源电路
如图2所示为比例恒流源电路,它由两只特性完全相同的管子VT0和VT1构成,两管的发射极分别串入电阻Re0和Re1。比例恒流电路源改变了IC1≈IR的关系,使IC1与IR呈比例关系,从而克服了镜像恒流源电路的缺点。
与典型的静态工作点稳定电路一样,Re0和Re1是电流负反馈电阻,因此与镜像恒流源电路相比,比例恒流源的输出电流IC1具有更高的稳定性。
当Re0=Re1时,IC1仍然等于IR,但此电路的IR由式(2-4)约定,比式(2-2)的IR小,一般用于前置放大器的输入级。

图2 比例恒流源电路
微变恒流源电路
由式(2-3)可知,若Re0很小甚至于为零,则Re1只采用较小的电阻就能获得较小的输出电流,这种电路称为微变恒流源,如图3所示。集成运放输入级静态电流很小,往往只有几十微安,甚至更小,因此微变电流源主要应用于集成运放输入级的有源负载。

图3 微变恒流源电路
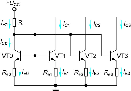
多路恒流源电路
集成运放是一个多级放大电路,因而需要多路恒流源电路分别给各级提供合适的静态电流。可以利用一个基准电流去获得多个不同的输出电流,以适应各级的需要。
图4所示电路是在比例恒流源基础上得到的多路恒流源电路,IR为基准电流,IC1、IC2和IC3为三路输出电流。由于各管的b-e间电压UBE数值大致相等,因此可得近似关系
IE0Re0≈IE1Re1≈IE2Re2≈IE3Re3(2-6)
当IE0确定后,各级只要选择合适的电阻,就可以得到所需的电流。

图4 多路恒流源电路
中国HAM网 www.chinaham.cn
