写在最前面
小时候就曾经好奇过为什么我们使用的计算机那么神奇,输入一堆东西,一秒钟之后就会显示或者反馈一些东西,这个过程是怎样发生的,那一片片黑乎乎的芯片里面发生了什么,着实是一件非常令人着迷的事情。以前就想过,能不能完全用发光二极管来制造一台计算器,这个样就可以清晰的看到这个过程了。
不过,显然,当时的我没有找到任何的一个资料教你如何用二极管来造计算机,对于一个小学生来说,自己来学习相关知识似乎也不太现实,何况这本来很大程度上就是当时我的一个颅内高潮。于是,没过多久,这个想法就这样不了了之了。
幸运的是,当时遗憾埋下的种子到了现在有发芽的机会了。
当然,很有可能你会问,为什么不使用晶体管呢?为什么不用芯片呢?这个事情有什么意义呢?
我觉得我只能和你说:“这很好玩,不是么?”
至少对我来说,这个理由已经足够了。
理论基础
计算机系统的最基础的部分就是逻辑门,其中与、或、非三个逻辑是复杂逻辑门的基础,理论上,只要继电器可以实现上面三种状态,就可以用来制造计算机。而且,最早的计算机,比如1937年的Model-K计算机就是利用继电器来实现计算的,只不过已经无法找到相关资料了。
我个人产生这个想法之后 ,就尝试在纸上画出来,结果直接成功了
只要利用一个5脚继电器就可以分别实现三个基础逻辑门。
两个验证实验
在互联网上冲浪了许久,希望能找到一些有帮助的资料,但是基本上都局限于逻辑门这种简单的问题。不过好在我就是电子科学专业的,就自行设计了一些电路验证。
SR锁存器电路:


实验过程:
1、实验板(这里就是简单验证一下,线比较乱)

2、在S’和R’都悬空时候,Q和Q’都导通,对应表上的无效信号
(Q红灯Q'绿灯)

3、当S’低电平R’高电平同时切换高电平时,锁存器变1

4、当S’高电平R’低电平同时切换高电平时,锁存器变0

可以看出,继电器可以很好的实现功能。
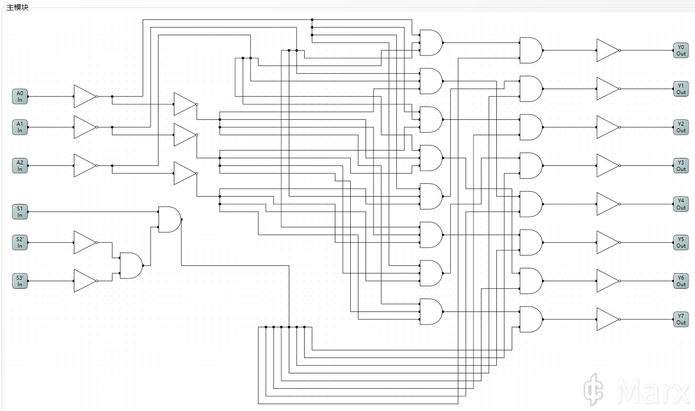
74HC138三线-八线译码器
74CH138逻辑图如下

PS:这里要吐槽一下,网上(CSDN)的逻辑图是错的,那也算了,就是教科书(《数字电子技术基础》(第六版)主编:阎石 P159)也是错的,这里纠正一下,上图我已经改好验证过了,有需要可以放心食用。
下面是板图

由于译码器电路接线十分复杂,这里就打算打板来完成实验,现在板子还没到(填错地址了。。),等到了以后,我在评论区把实验更完。
再说两句
一、我做这件事情的最终目目标是完成一台完整的8bit计算机,但是就我目前而言着实具有挑战,所以我们一步一步来。
把任务分解一下,先做一些相对容易的项目,目前的To Do List主要有两个:
1、可设置时间的四位荧光数码管时钟
2、一个8位计算器
。。。
n、8bit电脑
如果大家有好的想法也可以说一说。
二、可能这个项目我会拍成视频分享在B站,也欢迎大家捧场,目前至少中文互联网没见过有人利用继电器做出完整的计算机,如果确实是这样,那么我觉得这件事情意义非凡。
三、这次发文主要想为后面的项目申请科创的经费做铺垫,毕竟继电器算是比较昂贵的器件了,完全由我个人来承担费用可能比较捉襟见肘,而且JLC打板也不算便宜,等我把荧光管时钟的电路设计完成后,就打算申请经费了,各位dalao要是有什么意见和问题也欢迎提问。
